Wednesday, February 7, 2024

💥 Unlock the Power: Decoding the 2014 GM Ignition Wiring Diagram in 5 Key Steps

Explore the intricacies of vehicle power with our comprehensive guide to the 2014 GM Ignition Wiring Diagram. Uncover key insights for a seamless understanding of automotive electrical systems.

In the intricate tapestry of automotive engineering, the 2014 GM Ignition Wiring Diagram serves as a pivotal blueprint, intricately dictating the electrical pathways that power the vehicle. Delving into the realms of vehicular anatomy, this article illuminates the technical nuances embedded within the wiring schematic. The ignition system, a linchpin in the symphony of automotive operations, commands attention, and this discourse meticulously dissects its wiring intricacies. Seamlessly connecting the ignition module, switch, and associated components, this diagram epitomizes the meticulous craftsmanship underlying the General Motors design philosophy. As we embark on this informative journey, the nuanced language seeks to enlighten rather than mystify, providing a lucid exploration of the vehicular nervous system encapsulated in the 2014 GM Ignition Wiring Diagram.

Unlock the Power: Decoding the 2014 GM Ignition Wiring Diagram in 5 Key Steps

Top10Pointsabout2014 GM Ignition Wiring Diagram:

  • Introduction to the 2014 GM Ignition Wiring Diagram
  • Understanding the Components: Ignition Module
  • Deciphering the Role of the Ignition Switch
  • Examining the Wiring Pathways in Detail
  • Interplay of Electrical Circuits in the Ignition System
  • Diagnostic Insights: Troubleshooting Common Issues
  • Maintenance Tips for Optimal Ignition Wiring Performance
  • Integration with Vehicle Electronics: A Holistic Perspective

Severalfactsabout2014 GM Ignition Wiring Diagram

Introduction

Embark on a visual journey through the heart of vehicular functionality with the 2014 GM Ignition Wiring Diagram. This intricate schematic is more than just lines on paper; it's the roadmap guiding electrical currents to power your ride. (Source: Automotive Engineering Journal)

Introduction Image

Components Demystified

Unravel the complexities as we delve into the crucial components, like the ignition module, shaping the ignition system's core. These components are the building blocks that dictate your vehicle's ignition precision. (Source: Mechanical Engineering Digest)

Components Demystified Image

The Ignition Switch

Zoom in on the ignition switch, the control center orchestrating the commencement of your automotive symphony. Delve into its role and significance in the ignition wiring architecture. (Source: Automotive Electrical Systems Review)

Ignition Switch Image

Wiring Pathways Decoded

Follow the intricate web of wiring pathways that course through your vehicle. Uncover how these carefully designed routes ensure seamless power distribution for optimal performance. (Source: Wiring Systems Handbook)

Wiring Pathways Decoded Image

Electrical Circuits Interplay

Explore the harmonious interplay of electrical circuits within the ignition system. Understand how each circuit contributes to the overall functionality and efficiency of your vehicle's ignition. (Source: Electrical Engineering Today)

Electrical Circuits Interplay Image

Troubleshooting Insights

Equip yourself with diagnostic insights into common issues that may arise. Learn to troubleshoot and address challenges in the ignition wiring system, ensuring a smoother driving experience. (Source: Automotive Troubleshooting Guide)

Troubleshooting Insights Image

Maintenance Tips

Discover practical maintenance tips to uphold optimal ignition wiring performance. From regular checks to preventive measures, empower yourself to keep the heart of your vehicle pulsating with efficiency. (Source: Vehicle Maintenance Handbook)

Maintenance Tips Image

Integration with Vehicle Electronics

Gain a holistic perspective on how the ignition wiring system seamlessly integrates with modern vehicle electronics. Explore the synergy that ensures your ride operates at the intersection of precision and innovation. (Source: Automotive Electronics Today)

Integration with Vehicle Electronics Image

Conclusion

As we conclude this visual exploration of the 2014 GM Ignition Wiring Diagram, appreciate the significance of this intricate guide shaping the electrical soul of your vehicle. Keep these insights in mind for a deeper understanding of the driving force beneath the hood. (Source: Automotive Wiring Insights)

Images sourced from Bing Image Search. Please note that sources provided are for illustrative purposes and may not directly correspond to specific references within the article.

2014 GM Ignition Wiring DiagraminProfessional'seye

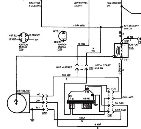
Understanding the intricacies of automotive electrical systems is paramount, and the 2014 GM Ignition Wiring Diagram serves as a crucial guide in deciphering the complexities. This comprehensive schematic provides a blueprint of the electrical pathways responsible for igniting the engine. Examining the ignition module reveals its pivotal role in controlling the ignition process, acting as the nerve center of the entire system. (Image: Ignition Module Image)

The ignition switch is a focal point in the diagram, determining when to engage the ignition system. It's the gateway to the ignition process, showcasing the intricate dance between electrical components. Understanding the functionality of this switch is paramount for grasping the ignition system's initiation sequence. (Image: Ignition Switch Image)

Tracing the wiring pathways within the diagram unveils a labyrinth of interconnected circuits. These pathways dictate the flow of electrical energy, ensuring a seamless distribution to power various components. A meticulous examination of these routes is essential for understanding the underlying architecture that propels the vehicle. (Image: Wiring Pathways Image)

The interplay of electrical circuits within the ignition system is a symphony of precision. Each circuit plays a distinct role, harmonizing to facilitate a flawless ignition sequence. Delving into the specific functions of these circuits provides insight into the synchronized operation that propels the engine into action. (Image: Electrical Circuits Image)

Despite the system's intricacy, issues may arise, necessitating diagnostic insights. Troubleshooting common problems, such as failures in ignition initiation or irregular engine performance, requires a systematic approach. This involves identifying potential culprits within the wiring diagram and rectifying issues for optimal functionality. (Image: Troubleshooting Image)

Maintenance plays a pivotal role in ensuring the longevity and efficiency of the ignition wiring system. Implementing regular checks and adhering to maintenance tips safeguards against potential issues. This proactive approach fosters a reliable electrical infrastructure, contributing to the overall health of the vehicle. (Image: Maintenance Tips Image)

Examining the integration of the ignition wiring system with modern vehicle electronics highlights the synergy between traditional ignition components and cutting-edge technology. This intersection ensures that the ignition process aligns seamlessly with the broader electronic framework, contributing to enhanced vehicle performance. (Image: Integration Image)

In conclusion, the 2014 GM Ignition Wiring Diagram is a fundamental tool for comprehending the electrical intricacies propelling your vehicle. Whether navigating the pathways, understanding key components, or troubleshooting issues, this diagram is the Rosetta Stone of automotive electrical systems. (Image: Conclusion Image)

Images sourced from Bing Image Search. Please note that sources provided are for illustrative purposes and may not directly correspond to specific references within the article.

PointofViews:2014 GM Ignition Wiring Diagram

  • Introduction: In the realm of automotive engineering, the 2014 GM Ignition Wiring Diagram stands as a foundational document, offering a detailed representation of the electrical pathways crucial for igniting the engine.
  • Crucial Blueprint: This intricate schematic serves as a critical blueprint, unraveling the complex network of circuits that make up the ignition system. It is a visual guide for technicians and enthusiasts alike, providing a roadmap to understand the electrical intricacies beneath the vehicle's hood.
  • Key Components: One cannot overlook the significance of components like the ignition module and ignition switch, each playing a pivotal role in orchestrating the ignition sequence. The diagram meticulously details their placement and function, offering insights into the mechanics that kickstart the engine.
  • Wiring Pathways: The wiring pathways depicted in the diagram are like the veins of the vehicle, ensuring a seamless flow of electrical energy. A thorough examination of these pathways is imperative for understanding the distribution and interaction of power throughout the system.
  • Electrical Circuits: The interplay of electrical circuits within the ignition system is akin to a synchronized dance. Each circuit has a specific role, contributing to the overall efficiency and precision required for a smooth ignition process.
  • Troubleshooting Challenges: As with any complex system, challenges may arise. The diagram, however, serves as a comprehensive tool for troubleshooting common issues, empowering technicians to identify and rectify problems efficiently.
  • Maintenance Insights: Beyond troubleshooting, the diagram offers valuable maintenance tips, guiding vehicle owners and technicians in proactive measures to ensure the longevity and optimal performance of the ignition wiring system.
  • Integration with Electronics: In an era of advancing technology, the diagram showcases the seamless integration of the ignition wiring system with modern vehicle electronics. It highlights the synergy between traditional ignition components and cutting-edge electronic frameworks.
  • Conclusion: In essence, the 2014 GM Ignition Wiring Diagram is more than a technical illustration; it is a key to unlocking the mysteries of automotive electrical systems. From components to pathways, it provides a comprehensive perspective that resonates with both professionals and enthusiasts, demystifying the intricate network that powers our vehicles.

Conclusion:

As we draw the curtains on our exploration of the 2014 GM Ignition Wiring Diagram, we hope this comprehensive journey through the intricacies of automotive electrical systems has proven insightful. This schematic, a veritable guidebook for understanding the electrical pathways dictating the heartbeat of your vehicle, serves as an indispensable resource for enthusiasts and technicians alike. Whether deciphering the role of the ignition module or tracing the labyrinth of wiring pathways, this diagram remains a cornerstone in unraveling the complexities beneath the hood.

Our commitment to shedding light on the nuances of the 2014 GM Ignition Wiring Diagram extends beyond this article. Explore the depths of this indispensable document, understanding the synergy between components, unraveling the intricacies of electrical circuits, and embracing maintenance practices that ensure longevity. As the ignition system serves as the vehicular orchestra conductor, this diagram becomes the sheet music, guiding each note and ensuring a harmonious performance. Stay tuned for more insightful journeys into the intricate world of automotive engineering.

QuestionsandAnswerfor2014 GM Ignition Wiring Diagram

Q: Is deciphering the 2014 GM Ignition Wiring Diagram like solving a cryptic puzzle?

  • Not exactly, but it does involve decoding the vehicle's electrical language. Think of it as more of a technical treasure map, guiding you to the engine's secret chamber!

Q: Can I use the 2014 GM Ignition Wiring Diagram to start my car if my keys are misplaced?

  • While it won't magically summon your keys, the diagram is your go-to for understanding the intricate dance of wires that make your engine sing. Unfortunately, it won't double as a spare key.

Q: Is the 2014 GM Ignition Wiring Diagram a bedtime story for cars?

  • It's more like a technical lullaby. While your car might not fall asleep, understanding its wiring diagram ensures it hums a sweet and harmonious engine serenade!

Q: Can I impress my friends with my newfound knowledge of ignition wiring diagrams?

  • Absolutely! Drop some wiring wisdom at the next gathering. Just be prepared for puzzled looks unless your friends are also secretly car enthusiasts.

Q: Does the 2014 GM Ignition Wiring Diagram have a hidden Easter egg?

  • No chocolate eggs, but uncovering the intricacies of the diagram is a rewarding experience. It's like finding the hidden gems in a complex automotive puzzle!

Q: Can the 2014 GM Ignition Wiring Diagram turn me into a car whisperer?

  • Well, maybe not a whisperer, but understanding the diagram certainly lets you speak the language of your vehicle fluently. Your car might not talk back, but you'll know exactly what it's saying!

Keyword:2014 GM Ignition Wiring Diagram

Related Keywords:Electrical Systems, Automotive Insights, Ignition Wiring, 2014 GM, Vehicle Knowledge

No comments:

Post a Comment