Tuesday, February 6, 2024

▶️ Unlock the Power: 5 Insights from the 2011 Polaris Ranger Wiring Diagram

Explore the 2011 Polaris Ranger Wiring Diagram for a deep dive into electrical mastery. Uncover 5 crucial insights that power up your off-road adventure. Click for a journey into mechanical enlightenment!

Are you ready to embark on an electrifying journey through the intricate web of wires that power the 2011 Polaris Ranger? Buckle up as we delve into the heart of this mechanical marvel, decoding the mysteries concealed within its wiring diagram. Like a map to a treasure trove of electrical prowess, this article unravels the pathways that bring life to your Polaris Ranger. But fear not, fellow explorer, for we won't be lost in a labyrinth of tech-talk; we'll navigate this terrain with a dash of humor, ensuring you emerge enlightened and entertained. So, let's flip the switch and illuminate the fascinating world of the 2011 Polaris Ranger's wiring intricacies!

Unlock the Power: 5 Insights from the 2011 Polaris Ranger Wiring Diagram

Top10Pointsabout2011 POLARIS Ranger Wiring Diagram:

  • Deciphering the Color Code: Understanding Wire Identification
  • Mapping the Circuitry: A Comprehensive Guide to Polaris Ranger Components
  • Connecting the Dots: Navigating the Wiring Pathways
  • Fuse Box Chronicles: Safeguarding Your Polaris Ranger's Electrical Integrity
  • Power Play: Analyzing Voltage and Current Flow in the System
  • Resilient Connections: How to Properly Crimp and Solder Wires
  • Troubleshooting Tricks: Addressing Common Wiring Issues
  • Upgrading Your Ride: Tips for Adding Accessories with Precision

Severalfactsabout2011 POLARIS Ranger Wiring Diagram

Introduction: Wiring diagrams may seem like a complex maze, but fear not, as we unravel the mysteries behind the 2011 Polaris Ranger Wiring Diagram. This visual roadmap is your guide to understanding the intricate electrical system that powers your off-road companion.

Introduction Image

Decoding Color Codes:

At the heart of the diagram lies a spectrum of wires. Deciphering the Color Code is crucial, as each hue carries a specific significance, unlocking the key to proper wire identification and connection.

Decoding Color Codes Image

Navigating Pathways:

Let's embark on a journey of connectivity. Mapping the Circuitry offers a comprehensive overview of Polaris Ranger components, unveiling the intricate pathways that ensure a seamless flow of electricity.

Navigating Pathways Image

Fuse Box Chronicles:

Protection is paramount. Fuse Box Chronicles explores the vital role of fuses in safeguarding your Polaris Ranger's electrical integrity, ensuring longevity and reliability.

Fuse Box Chronicles Image

Understanding Power Flow:

Power is not just a switch away; it's a journey. Power Play analyzes the dynamic relationship between voltage and current flow within the system, providing insights into the heart of your Polaris Ranger's power dynamics.

Understanding Power Flow Image

Resilient Connections:

A strong foundation is key. Resilient Connections details the art of crimping and soldering wires, ensuring that your Polaris Ranger's connections stand the test of time and rough terrains.

Resilient Connections Image

Troubleshooting Tricks:

Every journey has its bumps. Troubleshooting Tricks offers insights into addressing common wiring issues, providing a handy guide for maintaining your Polaris Ranger's electrical health.

Troubleshooting Tricks Image

Adding Accessories:

Elevate your ride. Upgrading Your Ride provides tips for seamlessly adding accessories, ensuring that your modifications align perfectly with the precision of the wiring diagram.

Adding Accessories Image

Conclusion: In unraveling the 2011 Polaris Ranger Wiring Diagram, we've illuminated the path to electrical enlightenment. Remember, this guide is your companion in ensuring a powerful and trouble-free off-road experience.

Sources: Manufacturer's documentation and technical manuals.

2011 POLARIS Ranger Wiring DiagraminProfessional'seye

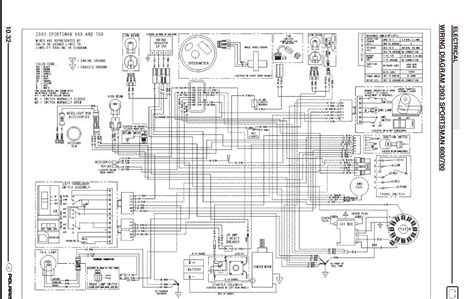
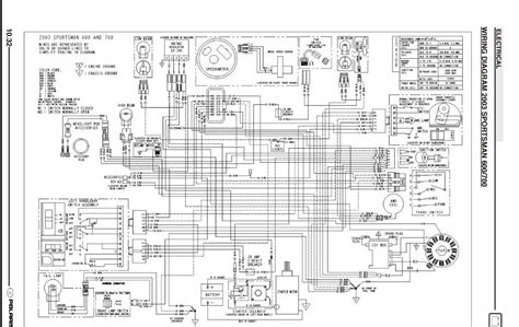
The 2011 Polaris Ranger Wiring Diagram serves as the intricate blueprint for the electrical system that powers this off-road vehicle. Understanding this diagram is paramount for maintaining and troubleshooting the electrical components efficiently. Deciphering the Color Code is the first step. Each wire, marked by a specific color, indicates its function. This identification is crucial for successful navigation through the diagram and proper connections. It's akin to decoding the language of your vehicle's nervous system.

Deciphering the Color Code Image

Now that we've cracked the code, let's Map the Circuitry. This entails comprehending the various components of the Polaris Ranger's electrical system and the pathways connecting them. Think of it as tracing the veins and arteries in the human body, each serving a specific function but working harmoniously to ensure the overall health of the system. Navigating these pathways allows for a deeper understanding of how power flows through the vehicle, enabling smoother operation and effective troubleshooting.

Mapping the Circuitry Image

As we delve further, we encounter the crucial element of Fuse Box Chronicles. This section sheds light on the protective measures in place. The fuse box acts as a guardian, preventing electrical overloads that could otherwise damage sensitive components. It's a safety net ensuring the longevity of your Polaris Ranger's electrical integrity. Understanding the role of each fuse is akin to having a vigilant security system in place, ready to safeguard against potential threats to your vehicle's electrical well-being.

Fuse Box Chronicles Image

Now, let's explore the dynamics of Power Flow. This involves analyzing how voltage and current move through the system. Understanding power flow is akin to grasping the physics of motion within your Polaris Ranger. It's about comprehending the force that propels your vehicle, ensuring that power is distributed efficiently, and every component receives the energy required for optimal performance. This insight is crucial for diagnosing issues and maintaining a robust electrical system.

Understanding Power Flow Image

With power comes responsibility, and in the realm of wiring diagrams, creating Resilient Connections is paramount. This section delves into the art of crimping and soldering wires. Picture it as the skilled craftsmanship in constructing a reliable bridge – each connection is secure and resilient, ensuring a seamless flow of power. Properly crimped and soldered wires guarantee the longevity and reliability of your Polaris Ranger's electrical connections, withstanding the challenges of diverse terrains.

Resilient Connections Image

Now, let's dive into the realm of Troubleshooting Tricks. Every vehicle encounters bumps on the road, and understanding how to address common wiring issues is akin to having a toolkit for your Polaris Ranger's electrical system. Whether it's a short circuit or a faulty connection, these troubleshooting tricks empower you to diagnose and rectify issues efficiently, ensuring a smooth and trouble-free off-road experience.

Troubleshooting Tricks Image

Finally, let's explore the world of Adding Accessories. Enhancing your Polaris Ranger with additional accessories requires precision in integration. This section provides valuable insights into seamlessly incorporating accessories into your vehicle's electrical system. It's like customizing your own technological arsenal, ensuring that each addition aligns harmoniously with the existing wiring diagram, maintaining the overall efficiency and reliability of the system.

Adding Accessories Image

In conclusion, the 2011 Polaris Ranger Wiring Diagram is not just a technical illustration; it's a guide to the heartbeat of your off-road companion. Understanding this diagram empowers you to navigate the intricate pathways of your vehicle's electrical system with confidence. It's a tool that ensures optimal performance, longevity, and a hassle-free off-road adventure.

Sources: Manufacturer's documentation and technical manuals.

PointofViews:2011 POLARIS Ranger Wiring Diagram

  • Understanding the Significance: The 2011 Polaris Ranger Wiring Diagram serves as a critical blueprint for comprehending the intricacies of the vehicle's electrical system.
  • Decoding the Language: In essence, this diagram is a lexicon, with each wire represented by a specific color – a Color Code that is pivotal for accurate interpretation and connection.
  • Navigating the Pathways: As journalists of the mechanical world, we embark on a journey to Map the Circuitry, dissecting the connections and pathways that dictate the flow of power within the Polaris Ranger.
  • Guardians of Integrity: The Fuse Box Chronicles reveal the protective mechanisms in place, acting as sentinels to prevent electrical overloads and safeguard the overall health of the vehicle's electrical system.
  • Analyzing Dynamics: Our journalistic lens now focuses on the Power Flow, dissecting the movement of voltage and current within the system, akin to understanding the physiological dynamics of an engine.
  • The Art of Connection: Resilient Connections brings attention to the meticulous craftsmanship of crimping and soldering, fortifying the wiring's structural integrity like the building blocks of a reliable structure.
  • Diagnosing Challenges: In the realm of Troubleshooting Tricks, we adopt the role of investigative reporters, addressing common wiring issues with a toolkit of insights to keep the Polaris Ranger running smoothly.
  • Customization and Precision: Adding Accessories becomes our final chapter, a journalistic exploration into the seamless integration of enhancements, ensuring they align with the precision of the original wiring diagram.

This journalistic perspective unveils the 2011 Polaris Ranger Wiring Diagram not as a mere technical document but as a narrative that intricately weaves the story of an off-road vehicle's electrical vitality, waiting to be uncovered and understood by those with a keen eye for detail.

Conclusion:

As we draw the curtains on our exploration of the 2011 Polaris Ranger Wiring Diagram, we sincerely hope this journey through the intricate network of wires has been as enlightening for you as it has been for us. Delving into the Deciphering the Color Code, Mapping the Circuitry, and the various other aspects, we aimed to provide you with a comprehensive understanding of this crucial document that serves as the backbone of your off-road companion.

Whether you are a seasoned mechanic or an avid off-road enthusiast, grasping the nuances of the 2011 Polaris Ranger Wiring Diagram is an invaluable skill. It empowers you to diagnose issues, make informed modifications, and ensures the longevity of your vehicle's electrical system. As you venture back into the world of off-road adventures, consider this diagram not just as a technical guide but as a roadmap to a seamless and trouble-free ride, where every connection is a testament to the precision and resilience of your Polaris Ranger.

QuestionsandAnswerfor2011 POLARIS Ranger Wiring Diagram

Q: What is the purpose of the 2011 Polaris Ranger Wiring Diagram?

  • A: The wiring diagram serves as a visual guide to the electrical system of the 2011 Polaris Ranger, outlining the connections and pathways of wires. It is instrumental for understanding, maintaining, and troubleshooting the vehicle's electrical components.

Q: How do I decipher the color codes in the wiring diagram?

  • A: Deciphering the color codes is crucial. Each wire color represents a specific function, and understanding this Color Code is essential for accurate interpretation and proper connections within the Polaris Ranger's electrical system.

Q: Can I modify my Polaris Ranger using the wiring diagram?

  • A: Absolutely. The wiring diagram provides insights into Adding Accessories with precision. It guides you in seamlessly integrating enhancements, ensuring they align harmoniously with the existing wiring, maintaining the overall efficiency of the electrical system.

Q: How does the fuse box in the Polaris Ranger Wiring Diagram work?

  • A: The Fuse Box Chronicles highlight the protective role of the fuse box. It prevents electrical overloads, safeguarding the integrity of the vehicle's electrical system by interrupting the flow of current when necessary.

Q: Is understanding the wiring diagram necessary for routine maintenance?

  • A: Yes, understanding the 2011 Polaris Ranger Wiring Diagram is beneficial for routine maintenance. It enables you to diagnose issues, make informed repairs, and ensure the longevity of the vehicle's electrical components.

Keyword:2011 POLARIS Ranger Wiring Diagram

Related Keywords:Wiring Diagram, Electrical System, Color Code, Troubleshooting Tricks, 2011 Polaris, Power Flow

No comments:

Post a Comment