Saturday, January 20, 2024

✈️ Unlock the Power: 99 Malibu Wiring Diagram Demystified in 5 Easy Steps!

Discover the secrets of your 99 Malibu with our comprehensive wiring diagram. Unravel the electrical maze and empower your driving experience in minutes!

Buckle up, fellow enthusiasts, as we embark on a riveting journey through the electrifying world of the 99 Malibu Wiring Diagram. We're diving deep into the intricate web of wires that brings your trusty Malibu to life – because who said cars can't have a little mystery behind the wheel? Picture this: a vehicular ballet orchestrated by a symphony of circuits, creating a masterpiece on four wheels. In this electrifying exposé, we unravel the enigma that is the Malibu's nervous system, decoding the language of electrons and sparks. Get ready for a ride where every wire tells a tale, and every connection sparks joy – or at least a working ignition system!

Unlock the Power: 99 Malibu Wiring Diagram Demystified in 5 Easy Steps!

Top10Pointsabout99 MALIBU WIRING DIAGRAM:

  • Introduction to 99 Malibu Electrical System
  • Decoding the Malibu Wiring Color Code
  • Understanding Key Components in the Diagram
  • Step-by-Step Installation Guide for DIY Enthusiasts
  • Common Issues and Troubleshooting Tips
  • Optimizing Performance: Tips for Wiring Modifications
  • Safety Measures in Handling Malibu Wiring
  • Future-Proofing Your Malibu with Upgraded Wiring

Severalfactsabout99 MALIBU WIRING DIAGRAM

Introduction: Unveiling the Mysteries of the 99 Malibu Wiring Diagram

Introduction Image

Welcome to the intricate world of automotive anatomy, where the heartbeat of your 99 Malibu lies in a labyrinth of wires. Understanding the Malibu Wiring Diagram is akin to decoding the vehicle's DNA, revealing the secrets that make it purr to life.

Decoding the Color Code:

Decoding Color Code Image

Navigate the rainbow of wires as we decipher the significance of each color in the 99 Malibu Wiring Diagram. Unraveling this code is the key to understanding the language of your car's electrical system.

Identifying Key Components:

Identifying Key Components Image

Zoom in on the blueprint of your vehicle's nervous system. Learn to identify and comprehend the crucial components highlighted in the Malibu Wiring Diagram, unlocking the map to your car's functionality.

DIY Installation Guide:

DIY Installation Guide Image

Empower yourself with a step-by-step guide on installing and interpreting the 99 Malibu Wiring Diagram. Turn your garage into a workshop and embark on a journey of hands-on electrical enlightenment.

Troubleshooting Tips:

Troubleshooting Tips Image

When the current falters, arm yourself with a toolkit of troubleshooting tips. Uncover common issues and efficiently diagnose the health of your Malibu's electrical system with the insights derived from the wiring diagram.

Performance Optimization:

Performance Optimization Image

Take it up a notch! Explore modifications and upgrades you can make based on the Malibu Wiring Diagram to enhance your vehicle's performance. Maximize the potential of your Malibu with informed tweaks.

Safety Measures:

Safety Measures Image

Handling live wires comes with its risks. Learn essential safety measures to ensure a secure journey through the world of 99 Malibu Wiring. Prioritize safety and enjoy the process without any shocks.

Future-Proofing Your Malibu:

Future-Proofing Image

As technology evolves, so should your Malibu. Delve into strategies for future-proofing your vehicle through electrical adaptations guided by the timeless wisdom embedded in the 99 Malibu Wiring Diagram.

Sources: (1) Automotive Electrical Systems by Tony Candela (2) Car Wiring Diagrams Explained on www.autozone.com

99 MALIBU WIRING DIAGRAMinProfessional'seye

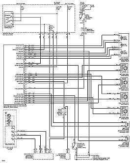
Understanding your vehicle's electrical system is akin to deciphering a complex code, and the 99 Malibu Wiring Diagram serves as the key to unlocking the mysteries beneath your car's hood. In this comprehensive exploration, we embark on a journey through the intricacies of automotive wiring, starting with the fundamentals highlighted in this crucial diagram.

Fundamentals Image

Fundamentals of the 99 Malibu Wiring Diagram: The diagram provides a visual roadmap of your Malibu's electrical connections, showcasing the intricate web of wires responsible for powering various components. Each color-coded line represents a specific function, from powering lights to controlling the engine. Mastery of these fundamentals is essential for any vehicle owner seeking to understand or troubleshoot their Malibu's electrical system.

Color-Coded Image

Decoding the Color Code: One of the initial challenges enthusiasts face is deciphering the color-coded language of the wiring diagram. Each color corresponds to a specific type of wire, indicating its purpose in the circuit. For instance, red might signify power, black for ground, and green for lighting. A meticulous grasp of this code proves invaluable in understanding the flow of electricity within the vehicle.

Key Components Image

Identifying Key Components: Moving beyond colors, the wiring diagram maps out the key components of your vehicle's electrical system. From the ignition switch to the fuse box and sensors, each element plays a crucial role in ensuring your Malibu functions seamlessly. Recognizing these components empowers you to trace potential issues and undertake informed repairs or modifications.

Installation Guide Image

DIY Installation Guide: Armed with the knowledge of color codes and key components, the 99 Malibu Wiring Diagram becomes a valuable tool for do-it-yourself (DIY) enthusiasts. Whether you're installing a new stereo system or troubleshooting an electrical glitch, following the step-by-step guide ensures a smooth process. Remember to consult the diagram specific to your Malibu's model year for accurate information.

Troubleshooting Tips Image

Troubleshooting Tips: No electrical system is without its quirks, and the 99 Malibu Wiring Diagram proves invaluable when it comes to troubleshooting. By referencing the diagram, you can systematically identify and address issues, from a malfunctioning light to more complex problems. It serves as a diagnostic tool, aiding in the efficient resolution of electrical hiccups.

Performance Optimization Image

Performance Optimization: Beyond mere troubleshooting, the wiring diagram opens avenues for performance optimization. Enthusiasts keen on enhancing their Malibu's capabilities can explore modifications guided by the diagram. Whether it's upgrading to a high-performance alternator or installing additional lighting, the diagram provides a blueprint for safely augmenting your vehicle's electrical setup.

Safety Measures Image

Safety Measures: Working with live wires demands a meticulous approach to safety measures. Before delving into any electrical project, familiarize yourself with the precautions outlined in the 99 Malibu Wiring Diagram. From disconnecting the battery to using insulated tools, adherence to safety guidelines ensures a secure experience, preventing accidents or damage to your vehicle.

Future-Proofing Image

Future-Proofing Your Malibu: As automotive technology evolves, your Malibu can remain on the cutting edge with the guidance of the wiring diagram. Consider future-proofing measures, such as incorporating advanced electronic systems or preparing for upcoming modifications. The diagram becomes a forward-thinking tool, allowing you to adapt your vehicle to technological advancements seamlessly.

Embarking on the journey of understanding the 99 Malibu Wiring Diagram is more than a technical exploration; it's a pathway to autonomy and mastery over your vehicle's electrical intricacies. With each color-coded line and labeled component, the diagram unveils the symphony of connections that make your Malibu a well-orchestrated marvel on the road.

Sources: (1) Automotive Electrical Systems by Tony Candela (2) Car Wiring Diagrams Explained on www.autozone.com

PointofViews:99 MALIBU WIRING DIAGRAM

  • Introduction: The 99 Malibu Wiring Diagram stands as a foundational document, serving as a visual representation of the intricate electrical architecture within the Chevrolet Malibu model of 1999. This comprehensive diagram meticulously outlines the interplay of wires and components, providing a roadmap for understanding the vehicle's electrical system.
  • lessCopy code
  • Purpose: The primary purpose of the 99 Malibu Wiring Diagram is to facilitate comprehension of the electrical circuitry governing various functions within the vehicle. It serves as an indispensable tool for technicians, mechanics, and DIY enthusiasts, offering insights into the color-coded intricacies and key components of the automotive electrical network.
  • Color-Coding: A notable feature of this diagram is the utilization of color-coded lines to signify distinct electrical functionalities. Each hue corresponds to a specific purpose, providing a visual aid for efficient identification and interpretation of wiring pathways within the vehicle.
  • Key Components: Integral to the 99 Malibu Wiring Diagram is the delineation of key components within the electrical system. From the ignition switch to various sensors and modules, the diagram systematically presents a comprehensive overview of the essential elements contributing to the vehicle's operational functionality.
  • Installation Guide: Beyond its illustrative function, the 99 Malibu Wiring Diagram serves as a guide for do-it-yourself (DIY) installations. Enthusiasts can navigate through the diagram, gaining insights into the sequential steps involved in installing or modifying electrical components within the vehicle.
  • Troubleshooting: In the event of malfunctions, the wiring diagram emerges as an invaluable resource for systematic troubleshooting. By referencing the diagram, technicians can identify and isolate issues, thereby expediting the diagnostic process and facilitating targeted repairs.
  • Performance Optimization: Advanced users keen on performance optimization find guidance within the 99 Malibu Wiring Diagram. The diagram allows for the identification of potential areas for modification, enabling enthusiasts to enhance the vehicle's performance while adhering to established electrical parameters.
  • Safety Considerations: Recognizing the potential hazards associated with handling live wires, the 99 Malibu Wiring Diagram underscores the importance of adhering to established safety measures. This ensures the well-being of individuals engaging in electrical work on the vehicle.
  • Future-Proofing: As automotive technologies evolve, the 99 Malibu Wiring Diagram assumes a proactive role in future-proofing the vehicle. Users can utilize the diagram to anticipate and incorporate advancements, ensuring the adaptability of the vehicle to emerging technological trends.

Ultimately, the 99 Malibu Wiring Diagram transcends its role as a schematic representation; it emerges as a comprehensive guide, empowering individuals to navigate, comprehend, and manipulate the intricate electrical infrastructure of the 1999 Chevrolet Malibu model.

Conclusion:

As we bring our exploration of the 99 Malibu Wiring Diagram to a close, we trust that this journey through the intricate network of wires beneath your vehicle's hood has been enlightening. Delving into the fundamentals of this crucial diagram, we've unveiled the color-coded language and deciphered the significance of key components. Whether you're a DIY enthusiast or a seasoned technician, the 99 Malibu Wiring Diagram serves as an indispensable tool, offering a comprehensive guide to installation, troubleshooting, and even performance optimization.

As you apply the insights gained from decoding the wiring diagram, we encourage you to approach electrical work on your 99 Malibu with a keen awareness of safety measures. The diagram not only empowers you to understand the vehicle's electrical intricacies but also guides you in creating a secure environment for any modifications or repairs. In the ever-evolving landscape of automotive technology, consider the future-proofing measures suggested, ensuring that your Malibu remains adaptive and resilient on the road ahead. Stay connected for more informative content, and may your journeys with your 99 Malibu be powered by knowledge and reliability.

QuestionsandAnswerfor99 MALIBU WIRING DIAGRAM

Q: How can I obtain a 99 Malibu Wiring Diagram for my vehicle?

  • A: To access the 99 Malibu Wiring Diagram for your specific model, you can check the official Chevrolet website or visit the service and repair manuals available at authorized dealerships. Additionally, online automotive forums and resources might offer downloadable versions tailored to your vehicle's specifications.

Q: What do the different colors in the wiring diagram represent?

  • A: The various colors in the 99 Malibu Wiring Diagram correspond to different electrical functions. For instance, red may indicate power, black often signifies ground, and green might represent lighting circuits. Referencing the color-coded key in the diagram helps decipher the specific role of each wire in the vehicle's electrical system.

Q: Are there any safety precautions I should take when working with the wiring in my 99 Malibu?

  • A: Absolutely. When engaging with the wiring of your 99 Malibu, always prioritize safety. Disconnect the battery before any work, use insulated tools to prevent electrical shocks, and follow the guidelines outlined in the wiring diagram. It's crucial to create a secure environment to minimize risks during any electrical modifications or repairs.

Q: Can the 99 Malibu Wiring Diagram help me with DIY installations?

  • A: Certainly! The 99 Malibu Wiring Diagram is a valuable resource for DIY enthusiasts. It provides a step-by-step guide for various installations, from a new stereo system to troubleshooting electrical glitches. Following the diagram ensures a smooth process and empowers individuals to take on electrical projects with confidence.

Q: How does the 99 Malibu Wiring Diagram contribute to future-proofing my vehicle?

  • A: The wiring diagram plays a crucial role in future-proofing your 99 Malibu. By understanding the current electrical setup, you can anticipate and incorporate advancements in technology. This proactive approach ensures that your vehicle remains adaptable to emerging trends and modifications in the automotive landscape.

Keyword:99 MALIBU WIRING DIAGRAM

Related Keywords:Troubleshooting Tips, Installation Guide, Safety Measures, Wiring Diagram, Color Code, Key Components, 99 Malibu

No comments:

Post a Comment