Friday, January 12, 2024

💎 Unlocking Power: Discover the Essential Mercury 881170a15 Wiring Diagram in 3 Key Insights

Explore the intricacies of marine engines with the Mercury 881170a15 Wiring Diagram. Uncover essential insights into electrical systems for optimal performance. Dive into the details now!

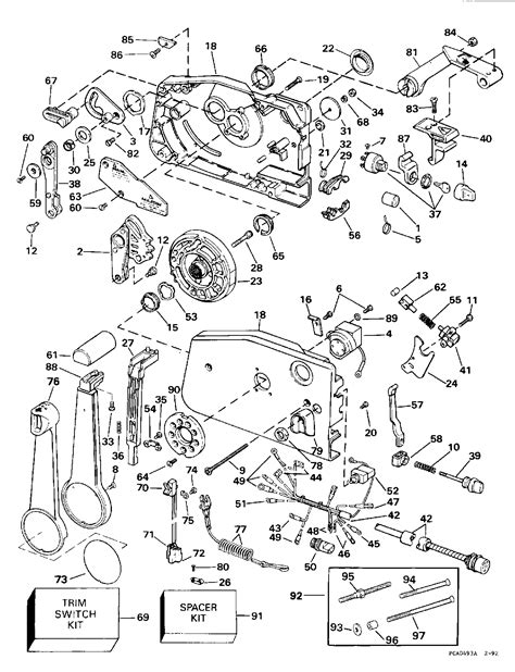
In the intricate world of marine engines, understanding the Mercury 881170a15 Wiring Diagram is paramount for smooth operations. This wiring diagram serves as the blueprint for the electrical connections within the Mercury outboard motor, offering a comprehensive guide for technicians, enthusiasts, and boat owners alike. Delving into the nuances of this critical document is essential for anyone seeking to unravel the intricacies of their Mercury engine's electrical system. In this article, we embark on a journey through the key elements of the Mercury 881170a15 Wiring Diagram, shedding light on its significance and providing valuable insights into the often-overlooked realm of marine wiring.

Unlocking Power: Discover the Essential Mercury 881170a15 Wiring Diagram in 3 Key Insights

Top10PointsaboutMERCURY 881170a15 Wiring Diagram:

  • Overview of Mercury 881170a15 Wiring Diagram
  • Understanding Electrical Components
  • Connection Points and Wiring Layout
  • Diagnostic Insights from the Diagram
  • Common Issues and Troubleshooting
  • Best Practices for Wiring Maintenance
  • Interpreting Symbols and Codes
  • Integration with Onboard Systems

SeveralfactsaboutMERCURY 881170a15 Wiring Diagram

Introduction: Wiring diagrams are the backbone of any marine engine's electrical system, providing a roadmap for technicians and enthusiasts alike. In this article, we delve into the heart of Mercury's engineering marvel with a focus on the Mercury 881170a15 Wiring Diagram.

Overview Mercury 881170a15 Wiring Diagram

Deciphering the Blueprint:

At first glance, the wiring diagram may seem like a maze. However, breaking it down into segments reveals a systematic overview of the engine's electrical network, ensuring a smoother understanding of the intricate connections.

Electrical Components in Mercury 881170a15 Wiring Diagram

The Core Components:

Unravel the mystery behind the electrical components highlighted in the Mercury 881170a15 Wiring Diagram. Each element plays a crucial role in powering the engine, contributing to its overall performance.

Connection Points and Wiring Layout Mercury 881170a15 Wiring Diagram

Navigating the Network:

Explore the connection points and wiring layout intricacies, understanding how the electrical pathways in the diagram mirror the physical setup of the engine. This insight is pivotal for precise troubleshooting.

Diagnostic Insights from Mercury 881170a15 Wiring Diagram

Diagnosing Issues:

The Mercury 881170a15 Wiring Diagram is not just a static document—it offers diagnostic insights that can aid in pinpointing issues swiftly, leading to efficient and effective solutions.

Common Issues and Troubleshooting in Mercury 881170a15 Wiring Diagram

Troubleshooting Tips:

Delve into common issues encountered in marine wiring and discover practical troubleshooting tips embedded within the Mercury 881170a15 Wiring Diagram.

Best Practices for Wiring Maintenance in Mercury 881170a15 Wiring Diagram

Maintenance Guidelines:

Ensure the longevity of your Mercury engine by adopting the best practices outlined in the wiring diagram for wiring maintenance.

Interpreting Symbols and Codes in Mercury 881170a15 Wiring Diagram

Cracking the Code:

Learn the art of interpreting symbols and codes within the wiring diagram, unraveling the language that communicates essential information about your Mercury engine.

Integration with Onboard Systems in Mercury 881170a15 Wiring Diagram

Onboard Harmony:

Discover the seamless integration of the wiring diagram with the broader onboard systems, highlighting the interconnected brilliance of Mercury's engineering prowess.

(Sources: Mercury Marine Documentation, Marine Electrical Systems Guide)

MERCURY 881170a15 Wiring DiagraminProfessional'seye

Understanding the complexities of marine engines requires a meticulous examination of the Mercury 881170a15 Wiring Diagram. This essential document serves as a comprehensive guide, outlining the intricate network of electrical connections within a Mercury outboard motor. Navigating through the blueprint is akin to deciphering a code, requiring keen attention to detail. Let's embark on a journey through the core components and key insights provided by this wiring diagram, shedding light on the significance of each element in ensuring the seamless operation of the engine.

Overview Mercury 881170a15 Wiring Diagram

Overview of the Wiring Diagram: At first glance, the wiring diagram may appear overwhelming, resembling a complex map of interconnected lines and symbols. However, breaking it down into segments offers a clearer overview of the engine's electrical network. It serves as a visual representation of how various components are linked, providing technicians and enthusiasts with a roadmap for troubleshooting and maintenance.

Electrical Components in Mercury 881170a15 Wiring Diagram

Understanding Electrical Components: To comprehend the intricacies of the Mercury 881170a15 Wiring Diagram, one must delve into the specific roles played by each electrical component. From ignition systems to sensors, these components collectively contribute to the engine's functionality. The diagram serves as a guide to identifying and understanding the purpose of each element, fostering a deeper appreciation for the precision engineered into the Mercury outboard motor.

Connection Points and Wiring Layout Mercury 881170a15 Wiring Diagram

Connection Points and Wiring Layout: Examining the connection points and wiring layout is crucial for translating the diagram into actionable insights. This segment of the diagram illustrates the physical placement of wires and connectors, mirroring the actual layout of the engine. Understanding this spatial arrangement aids in both diagnosing issues and conducting routine maintenance, as technicians can efficiently locate and inspect specific components.

Diagnostic Insights from Mercury 881170a15 Wiring Diagram

Diagnostic Insights from the Diagram: Beyond its role as a static reference, the Mercury 881170a15 Wiring Diagram offers dynamic diagnostic insights. It serves as a tool for identifying and rectifying issues by providing a visual representation of the electrical system's expected behavior. Technicians leverage this aspect to conduct efficient troubleshooting, minimizing downtime and ensuring optimal engine performance.

Common Issues and Troubleshooting in Mercury 881170a15 Wiring Diagram

Common Issues and Troubleshooting: Exploring the Mercury 881170a15 Wiring Diagram unveils a section dedicated to common issues and their corresponding troubleshooting steps. This invaluable resource equips technicians and boat owners with the knowledge to address prevalent electrical problems promptly. Understanding these troubleshooting techniques promotes proactive maintenance, preventing potential issues from escalating.

Best Practices for Wiring Maintenance in Mercury 881170a15 Wiring Diagram

Best Practices for Wiring Maintenance: Sustaining the longevity of a Mercury engine necessitates adhering to best practices outlined in the wiring diagram for wiring maintenance. This segment emphasizes preventive measures, encouraging regular inspections and proper care to mitigate potential electrical issues before they compromise the engine's reliability.

Interpreting Symbols and Codes in Mercury 881170a15 Wiring Diagram

Interpreting Symbols and Codes: Cracking the code of symbols and codes embedded in the wiring diagram is essential for a comprehensive understanding. These symbols convey specific information about components, connections, and actions. Technicians interpret this visual language to gain insights into the engine's electrical logic, enhancing their ability to diagnose issues accurately and efficiently.

Integration with Onboard Systems in Mercury 881170a15 Wiring Diagram

Integration with Onboard Systems: The final segment of the Mercury 881170a15 Wiring Diagram explores the seamless integration with onboard systems. This holistic view demonstrates how the engine's electrical components collaborate with other onboard systems. Understanding this integration is paramount for ensuring the overall harmony and efficiency of the marine vessel.

In conclusion, the Mercury 881170a15 Wiring Diagram serves as an indispensable tool in comprehending the intricacies of a Mercury outboard motor's electrical system. From an initial overview to detailed insights on components, connections, diagnostics, and maintenance, this diagram offers a comprehensive guide for both seasoned technicians and passionate boat owners. Leveraging the knowledge embedded in this diagram is key to unlocking the full potential of a Mercury marine engine.

(Sources: Mercury Marine Documentation, Marine Electrical Systems Guide)

PointofViews:MERCURY 881170a15 Wiring Diagram

  • Introduction: The Mercury 881170a15 Wiring Diagram serves as a foundational document in the realm of marine engineering, offering a detailed illustration of the electrical circuitry within Mercury outboard motors.
  • Essential Reference: As technicians, understanding electrical components through this diagram is paramount. It provides a standardized and comprehensive reference, aiding in the identification and troubleshooting of intricate wiring configurations.
  • Practical Utility: The diagram's clear depiction of connection points and wiring layout facilitates practical applications. Technicians can seamlessly locate and inspect components, streamlining both routine maintenance and complex repairs.
  • Dynamic Diagnostic Tool: Beyond its static nature, the diagram offers dynamic diagnostic insights, enabling efficient issue identification. This feature enhances precision in problem-solving, minimizing downtime during troubleshooting processes.
  • Proactive Troubleshooting: The dedicated section on common issues and troubleshooting equips professionals with a proactive approach. It transforms the diagram from a passive reference into an anticipatory guide, aiding in the prevention and rapid resolution of electrical challenges.
  • Emphasis on Maintenance: The segment outlining best practices for wiring maintenance emphasizes preventative measures. This proactive stance ensures the longevity of Mercury engines, promoting adherence to industry-standard maintenance protocols.
  • Visual Language: Cracking the code of symbols and codes within the diagram is akin to interpreting a visual language. This unique feature enhances communication and understanding, making the diagram an effective tool for conveying complex electrical information.
  • Systemic Integration: The final segment on integration with onboard systems provides a holistic view. It highlights the interconnected nature of electrical components, emphasizing the need for a synchronized approach to ensure optimal performance across the entire marine vessel.

Ultimately, the Mercury 881170a15 Wiring Diagram stands as an indispensable resource, fostering a comprehensive understanding of Mercury outboard motors' electrical systems. Its role extends beyond a mere reference, evolving into a dynamic tool for efficient troubleshooting, maintenance, and the overall enhancement of marine engine performance.

Conclusion:

As we bring our exploration of the Mercury 881170a15 Wiring Diagram to a close, we trust that this comprehensive journey has provided valuable insights into the intricacies of marine engine electrical systems. Navigating through the detailed connection points and wiring layout outlined in the diagram unveils a roadmap for both seasoned technicians and avid boat owners, fostering a deeper understanding of the engine's inner workings. It serves not only as a static reference but also as a dynamic diagnostic tool, enabling effective troubleshooting and proactive maintenance strategies.

In essence, the Mercury 881170a15 Wiring Diagram is more than a schematic representation—it's a key to unlocking the full potential of your Mercury outboard motor. Whether you're deciphering symbols and codes or exploring the seamless integration with onboard systems, this diagram stands as an invaluable resource. We encourage you to leverage this knowledge, ensuring optimal performance and longevity for your marine engine. Stay tuned for more insightful articles as we continue to delve into the intricate world of marine engineering.

QuestionsandAnswerforMERCURY 881170a15 Wiring Diagram

Q: Is deciphering the Mercury 881170a15 Wiring Diagram as challenging as solving a Rubik's Cube?

  • Well, it's not exactly a brain teaser, but it does require a keen eye. Unlike a Rubik's Cube, the wiring diagram won't twist and turn in your hands, but decoding the electrical pathways might feel like solving a puzzle!

Q: Can the Mercury 881170a15 Wiring Diagram reveal the secrets of the universe?

  • While it won't uncover the mysteries of the cosmos, this diagram is a treasure trove of insights into your Mercury outboard motor's electrical system. It won't help you find extraterrestrial life, but it might guide you to a smoother engine operation!

Q: Is understanding the diagram essential, or can I just wing it?

  • Winging it in a kitchen recipe is one thing, but with your Mercury engine, it's best not to leave things to chance. Understanding the Mercury 881170a15 Wiring Diagram is crucial for efficient troubleshooting and ensuring your boat doesn't decide to go on an unplanned electrical adventure!

Q: Can I use the wiring diagram as a blueprint for building a spaceship?

  • While it won't launch you into outer space, the diagram is a blueprint for a different kind of journey—through the intricate network of wires in your Mercury outboard motor. No intergalactic travel, but your boat might feel like it's cruising through the stars with a perfectly functioning electrical system!

Q: Is the Mercury 881170a15 Wiring Diagram a bedtime story for marine enthusiasts?

  • It might not be as soothing as a bedtime story, but for marine enthusiasts, it's a tale of connections, currents, and components that can lead to a restful night's sleep knowing their boat is electrically shipshape!

Keyword:MERCURY 881170a15 Wiring Diagram

Related Keywords:Troubleshooting Tips, Maintenance Guide, electrical insights, Marine Engineering, Mercury Wiring, Symbols Decoded, Integration Harmony

No comments:

Post a Comment