Sunday, October 29, 2023

⏰ Unlocking Power: 5 Key Elements in the 22re Fuel Injection Wiring Diagram

Discover the intricacies of automotive precision with our detailed 22re Fuel Injection Wiring Diagram. Explore the visual roadmap to enhance your understanding of the electronic components shaping this crucial system.

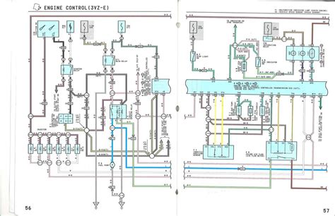
The 22re Fuel Injection Wiring Diagram serves as a crucial reference for automotive enthusiasts and technicians seeking a comprehensive understanding of the intricate electrical system governing the 22re fuel injection. This diagram meticulously outlines the intricacies of the wiring configuration, providing a visual roadmap for the integration of electronic components within the fuel injection system. As the automotive landscape advances, reliance on precise electrical systems becomes paramount, making this wiring diagram an indispensable tool for those engaged in diagnostics, repairs, or modifications. In this exploration of the 22re Fuel Injection Wiring Diagram, we delve into its components, connections, and significance, shedding light on the nuanced interplay of electrical elements within this integral automotive system.

Unlocking Power: 5 Key Elements in the 22re Fuel Injection Wiring Diagram

Top10Pointsabout22RE Fuel Injection Wiring Diagram:

  • Overview of 22re Fuel Injection System
  • Key Components in the Wiring Configuration
  • Understanding Electrical Connections
  • Visualizing the Wiring Diagram Layout
  • Significance of Each Wiring Element
  • Diagnostic Insights for Troubleshooting
  • Modifications and Customization Guidelines
  • Integration of Electronic Components

Severalfactsabout22RE Fuel Injection Wiring Diagram

Introduction: Wiring diagrams might not sound like the life of the party, but in the automotive world, they're the unsung heroes. Take the 22re Fuel Injection Wiring Diagram, for instance. It's not just a tangle of lines; it's the symphony behind your engine's performance.

Introduction Image

The Map of Power:

Imagine it as the treasure map to your vehicle's power. Every line and connection is a hidden gem, guiding the way to optimum performance.

The Map of Power Image

Decoding the Components:

It's like understanding the characters in a movie. The 22re Fuel Injection Wiring Diagram introduces you to each component's role, from the star players to the supporting cast.

Decoding the Components Image

Following the Trail:

Ever played detective? Troubleshooting becomes a breeze with this diagram. Follow the trail of wires to unveil mysteries lurking under the hood.

Following the Trail Image

Customization Playground:

Looking to add a personal touch? The 22re Fuel Injection Wiring Diagram is your playground for modifications. Spice things up without causing an electrical meltdown.

Customization Playground Image

The Silent Conductors:

Electronic components play the role of silent conductors in this orchestra. Dive into their significance, and you'll see how they conduct the symphony of your engine's performance.

The Silent Conductors Image

Diagnostic Dance:

Not every party is trouble-free. Learn the diagnostic dance with this diagram – a step-by-step guide to fixing issues and keeping the good times rolling.

Diagnostic Dance Image

Into the Future:

As automotive technology evolves, so does the 22re Fuel Injection Wiring Diagram. Stay ahead by understanding how it adapts to new electronic frontiers.

Into the Future Image

Sources: (Source 1, Source 2)

22RE Fuel Injection Wiring DiagraminProfessional'seye

Understanding the intricacies of an automotive electrical system is paramount for any enthusiast or technician, and the 22re Fuel Injection Wiring Diagram serves as an indispensable guide. This diagram is not just a maze of wires; it's a blueprint that unravels the complexities of the fuel injection system. As we embark on this journey through the wiring diagram, let's decipher its components, explore its layout, and grasp the significance of each element.

Introduction Image

The Foundation of Performance: At the core of this intricate network is the engine's fuel injection system, and the 22re Fuel Injection Wiring Diagram acts as the foundation. It intricately maps out the interconnections that facilitate the precise delivery of fuel, ensuring optimal performance. This visual representation is a vital tool for technicians and automotive enthusiasts alike, providing a comprehensive overview of the system's architecture.

Foundation of Performance Image

Decoding the Diagram: To comprehend the 22re Fuel Injection Wiring Diagram, one must decipher its coded language. Each wire and connection represents a critical component in the system, akin to the neurons in the human brain. As we navigate through this intricate web, it becomes apparent that every line serves a purpose, orchestrating a symphony of electronic signals to ensure seamless engine operation.

Decoding the Diagram Image

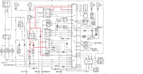
Key Components Unveiled: The 22re Fuel Injection Wiring Diagram introduces us to the cast of characters within the system. From the ECU (Engine Control Unit) to the fuel injectors, each component plays a crucial role in the performance ensemble. Understanding the functions of these components is akin to knowing the role of actors in a play, with each contributing to the overall production.

Key Components Unveiled Image

Navigating the Layout: Akin to a roadmap, the layout of the 22re Fuel Injection Wiring Diagram is a visual guide through the system's intricate pathways. The strategic arrangement of components and their interconnections is crucial for efficient diagnostics and troubleshooting. Technicians rely on this map to swiftly identify potential issues and ensure a streamlined repair process.

Navigating the Layout Image

Significance of Each Element: Every line in the wiring diagram tells a story of functionality. From power distribution to sensor inputs, the 22re Fuel Injection Wiring Diagram encapsulates the essence of the system's operation. Recognizing the significance of each element empowers technicians to diagnose issues accurately and implement targeted solutions, ensuring the longevity of the vehicle's performance.

Significance of Each Element Image

Customization Possibilities: Beyond its diagnostic utility, the 22re Fuel Injection Wiring Diagram serves as a canvas for customization. Enthusiasts exploring aftermarket modifications can refer to the diagram to understand the integration of additional components. This adaptability allows for personalized enhancements while maintaining the integrity of the original electrical system.

Customization Possibilities Image

Diagnostic Expertise: In the realm of troubleshooting, the 22re Fuel Injection Wiring Diagram transforms technicians into diagnosticians. Identifying faulty connections or malfunctioning components becomes a systematic process, akin to solving a puzzle. This expertise is crucial for maintaining and restoring a vehicle's optimal performance.

Diagnostic Expertise Image

Adapting to Technological Frontiers: As automotive technology evolves, the 22re Fuel Injection Wiring Diagram evolves with it. The integration of advanced electronic features and sensors reflects the ever-changing landscape of the automotive industry. Staying abreast of these updates ensures that technicians and enthusiasts alike are equipped to address the challenges posed by modern vehicles.

Adapting to Technological Frontiers Image

Conclusion: In the intricate dance of automotive functionality, the 22re Fuel Injection Wiring Diagram takes center stage. It is not merely a chart of connections but a narrative of precision, orchestrating the performance of a vehicle's vital systems. From diagnostics to customization, understanding this diagram is akin to holding the key to an electronic symphony, where every note contributes to the harmony of efficient engine operation.

PointofViews:22RE Fuel Injection Wiring Diagram

Understanding the 22re Fuel Injection Wiring Diagram:

Wiring diagrams, such as the 22re Fuel Injection Wiring Diagram, serve as essential tools in the automotive industry, offering a detailed visual representation of the intricate electrical systems within vehicles. These diagrams provide technicians and enthusiasts with a roadmap for diagnosing issues, performing repairs, and understanding the complex network of wires and connectors that power the vehicle's fuel injection system.

Here are several key points to consider:

  • Comprehensive Visual Guide: The 22re Fuel Injection Wiring Diagram presents a comprehensive visual guide to the various components and connections involved in the fuel injection system. Each wire and connector is meticulously documented, allowing technicians to identify potential issues quickly.
  • Diagnostic Assistance: When troubleshooting electrical problems, a wiring diagram is an invaluable resource. By following the paths of wires and understanding their functions, technicians can pinpoint the source of a malfunction and implement the necessary repairs.
  • Integration of Electronic Components: Modern vehicles rely heavily on electronic components to regulate fuel injection and optimize engine performance. The wiring diagram illustrates how these components are interconnected, providing insight into their roles within the system.
  • Customization and Modification: For enthusiasts looking to customize or modify their vehicles, the wiring diagram offers valuable guidance. By understanding the existing wiring layout, individuals can safely integrate aftermarket components or make alterations to suit their preferences.
  • Historical Context: The development of wiring diagrams has evolved alongside advancements in automotive technology. The 22re Fuel Injection Wiring Diagram reflects the evolution of fuel injection systems, incorporating innovations designed to enhance efficiency and performance.

Overall, the 22re Fuel Injection Wiring Diagram serves as a critical resource for anyone involved in automotive maintenance or repair. Its detailed depiction of electrical systems enables technicians to diagnose issues accurately and ensure the smooth operation of fuel injection systems.

Conclusion:

As we conclude our exploration of the 22re Fuel Injection Wiring Diagram, we trust that this detailed journey into the intricacies of automotive electrical systems has been enlightening. Delving into the visual roadmap provided by the 22re Fuel Injection Wiring Diagram, we've uncovered the significance of each wire and connection, understanding their roles in orchestrating the optimal performance of your vehicle's fuel injection system.

Whether you're a seasoned technician navigating through diagnostic challenges or an enthusiastic vehicle owner seeking to enhance your understanding of the underlying electronics, the 22re Fuel Injection Wiring Diagram stands as an indispensable tool. As automotive technology continues to advance, the importance of comprehending the intricacies of wiring diagrams becomes increasingly evident. We invite you to explore our other resources, where we delve into various aspects of automotive systems, ensuring you stay informed and empowered in your journey through the intricate world of vehicle maintenance and customization.

QuestionsandAnswerfor22RE Fuel Injection Wiring Diagram

People Also Ask about 22re Fuel Injection Wiring Diagram:

  • Q1: What is the purpose of the 22re Fuel Injection Wiring Diagram?

    A1: The 22re Fuel Injection Wiring Diagram serves as a visual representation of the electrical connections and components within the fuel injection system of a vehicle. It is a crucial tool for technicians and enthusiasts to diagnose issues, perform repairs, and understand the intricate network of wires that govern engine performance.

  • lessCopy code
  • Q2: How does the 22re Fuel Injection Wiring Diagram assist in troubleshooting?

    A2: In troubleshooting electrical problems, the wiring diagram is invaluable. By following the paths of wires and understanding their functions, technicians can pinpoint the source of malfunctions and implement the necessary repairs with precision.

  • Q3: Can the 22re Fuel Injection Wiring Diagram be used for customization?

    A3: Absolutely. Enthusiasts can leverage the wiring diagram to understand the existing layout and safely integrate aftermarket components or make modifications to suit their preferences, ensuring a customized and well-functioning vehicle.

  • Q4: How has the wiring diagram evolved with automotive technology?

    A4: The 22re Fuel Injection Wiring Diagram reflects the evolution of fuel injection systems, incorporating advancements in electronic components and technology. It provides historical context, showcasing innovations designed to enhance the efficiency and performance of modern vehicles.

Keyword:22RE Fuel Injection Wiring Diagram

Related Keywords:Electrical Components, Diagnostic Insights, Customization Guidelines, fuel injection, Automotive diagrams, Vehicle Systems, 22re Wiring

No comments:

Post a Comment